设为首页
加入收藏
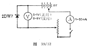
仪器
2DW7型齐纳二极管;J1201型低压电源;J2354-3型阻值1750Ω变阻器;多量程电压表,或0-3V和0-10V电压表各一只;0-50mA电流表;插塞开关。
实验步骤

按图39/12所示将二级管正向接入电路,把电源调到低档位置,把可变电阻调到极大值,接通电源,并记下二极管两端的电压和通过它的电流。适当改变电压(调变阻器)、使电流增加一点,并重新记录电压和电流。连续进行此项工件,直到电流达到30mA为止。
这时把二极管反接,并用一只满量程为10V的电压表替换原来的电压表,把电压调到极小值,把可变电阻调到极大值,如前述那样进行观测,连续取得一系列电压和电流之值,直到二极管两端的电压为8V左右。
数据记录与处理
将观测值列表。画出正向电流(作为纵坐标)对电压的图象。并在同一坐标系中第Ⅲ象限画出反向电流对电压的图象。解释所得结果,并确定击穿电压。
|