设为首页
加入收藏
1.在图(二)4.24-1电路的实验过程中,取得一组数据(见表),以k=Ix/Ig为纵坐标,以n=Rx/R中为横坐标,绘出图线,如图(二)4.24-2所示。可以看出它不是一条直线,由此可知,欧姆表的刻度是不均匀的。当n=1即Rx=R时,I SPAN>x=1/2Ig。它意味着1/2Ig时,待测电阻的阻值等于表内的综合电阻。由欧姆表刻度盘上的中值读数就可以知道这个表的综合内阻。
|
k=Ix/Ig |
0 |
1/6 |
1/5 |
1/4 |
1/3 |
1/2 |
6/11 |
3/5 |
2/3 |
3/4 |
6/7 |
1 |
|
n=Rx/R中 |
a |
5 |
4 |
3 |
2 |
1 |
5/6 |
2/3 |
1/2 |
1/3 |
1/6 |
0 |
上述特点也可以直接推导出来。根据欧姆表的原理电路可知

当Rx=0时,Ix为满偏,即
半偏时,Rx=R中,显然

代入I0=E/R综,可得R中 SUB>=R综。
当Rx分别为中值电阻R中的2倍、3倍、4倍,……时,电路中的电流强度Ix分别为满偏电流Ig的1/3,1/4,1/5,……。可见欧姆表刻度是不均匀的。

2.在图(二)4.24-1的原理电路中,选用表头量程为5毫安,电池电动势ε=1.5伏,则中值电阻

现要求将倍率缩小10倍,则R′=R中/10=30欧,另外还必须考虑电池电压下降的影响。电池输出电压下降后,将引起欧姆零点 偏移(即Rx=0时,Ix≠Ig),如果通过改变综合电阻来调节零点,又会影响中值电阻的阻值,例如在满度电流不变的情况下,电池电压由1.5伏降至1.3伏,则中值电阻的误差为:



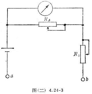
因此在实际电表中,应有电阻调零的电路。调整零点时,中值电阻应几乎不变。通常可以采用如图(二)4.24-3所示的电路,用0-9.99Ω的电阻箱代替原表头的分流电阻并联在表头两端,调节RA的值,以使ab短路时电流表指针满偏。你可以实际实验一下,将E由1.5伏改为1.3伏,分别改变RA和R0以调节欧姆表零点,再取数值等于表刻度上指示的中值电阻的已知电阻分别进行测量,比较哪一种电路的误差更大?
选自:《高中物理课外实验》
|