设为首页
加入收藏
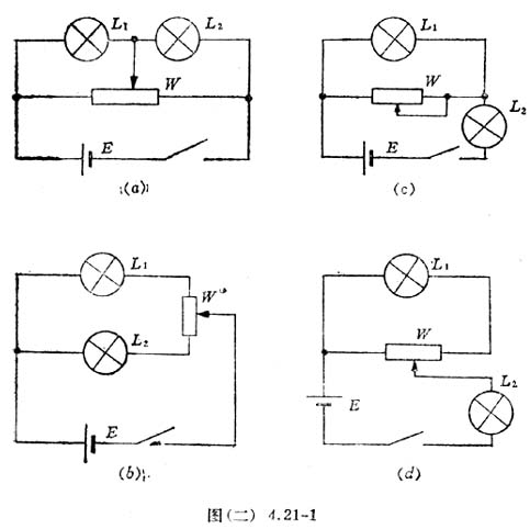
1.图(二)4.21-1列出了四种控制电路,都能够满足一盏灯变亮时,另一盏灯变暗,它们的原理读者不难分析。其中,(a)的效果较好,两盏灯亮度变化的范围相同, 且能从全暗变到最亮。

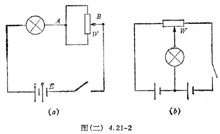
2.图(二)4.21-2(a),(b)为两种方案的电路图。图(a)中,滑动变阻器的两部分组成一个并联电路。滑臂在中点时等效电阻最大(为全电阻的一半),在两端时电阻都为零。因此把它串联在电路中即可实现“亮—暗—亮”的变化。图(b)相当于一种特殊的分压器,其输出的零伏参考点接在两组电池的中间,因此,当变阻器滑臂在中点时,它相对于参考点的电位差为零,而在变阻器两端中的任一端时,滑臂相对参考点的电位差为一组电池的端电压。由此可知,把电珠接在这种分压器的输出端,也可实现“亮—暗—亮”的变化。

3.能够设计出实现“亮—暗—亮”变化的方案,设计“暗—亮—暗”变化的方案也就不困难了,最简单的方法是在图(二)4.21-2(a)的基础上改装。如果把这个电路 中连接灯泡的地方换成一个适当的电阻R,把灯泡并联在AB两端,那么,改装后的电路如图(二)4.21-3所示。在这个电路中,当AB的合电阻最小时,这两端的 电压也最小,因此灯泡也就最暗,随着滑臂向中点移动,AB的合电阻变大,分得的电压也变大,灯泡逐渐变亮。当滑臂移过中点以后灯泡也就逐渐变暗了。

4.要使两只并联的发光二极管交替发光,加在它们两端的应当是交变电压,这可以利用滑动变阻器和直流电源等组成的如图(二)4.21-4所示的电路来实现。将变阻器W1的滑臂调至中点,把W2的滑臂调至上端时,改变电阻箱R阻值,使发光二极管D1能正常发光。向下移动W2的滑臂,发光二极管D1变暗;移过中点后D1熄灭,另一只发光二极管D2开始发光,直到W2的滑臂调至下端时,D2正常发光。如此上、下往复移动W2的滑臂,D1和D2也就交替发光了。

|