设为首页
加入收藏
这里有一个水塔模型,如图(一)4.26-1所示,水箱是用透明有机玻璃胶合而成(或用现成的透明塑料盒),箱内插入一块金属板(代表箱体的金属外壳),金属板上装有两根塑料包皮的硬导线,分别作为高、低液位的探针,图中的“1”、“2”、“3”三端分别与高、低液位探针和金属板相通,“4”、“5”是离心式水泵模型电动机的接线端。

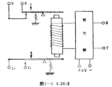
水塔水箱里的水位由继电器来控制,这只继电器的原理结构如图(一)4.26-2所示,它的线圈有放大作用,将6、7两端放入水中而不直接接触,继电器线圈即可导通而使 衔铁动作。继电器的衔铁可以控制两把闸刀,每刀都有常开、常闭触点各一对。

请你设计连接好电路,使得水塔水位低于低液位探针时,抽水机工作;当水位上升到高液位探针时,抽水机停止工作;当水位下降时仍不工作,直到水位低于低液位探针时,重又工作。

继电器线圈放大电路如图(一)4.26-3,所示。
选自:《高中物理课外实验》
|