通达教学资源网首页
站点导航
语文
数学
英语
物理
化学
生物
历史
地理
政治
信息技术
艺体
综合
设为首页
加入收藏
用户名:
密码:
保存时间:
不保存
保存一天
保存一周
保存一月
保存一年
物理首页
┊
备课参考
┊
教学设计
┊
教学参考
┊
科普知识
┊
物理实验
┊
竞赛辅导
┊
学习生活
┊
资源下载
┊
网站留言
http://www.nyq.cn
当前位置:
->
物理实验
->
课外实验
->
高中物理课外实验
->
第三编 研究与探索(提示与答案)
->
正文
多端电学黑箱
作者:未知
来源:《高中物理学生实验》
时间:2006-5-2 15:49:46
阅读:
字号:
小
|
大
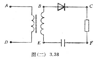
nt-family: 'Times New Roman'; mso-hansi-font-family: 'Times New Roman'">、
C
和
F
点测试都没有正反向差异,则可认为
B
、
C
点之间接的是二极管;同理在
E
、
F
点短接,若再也没有充电现象,则可以认为
E
、
F
点之间是一个电容。
选自:《高中物理课外实验》
相关文章:
·
三端电学黑箱方法二
2006-5-2
·
设计温度传感器
2006-5-2
·
设计一组测透明液体折射率的实验
2006-5-2
·
设计不断沉浮的“小金鱼”
2006-5-2
·
估测铝棒中声音的传播速度
2006-5-2
·
给自己带电
2006-5-2
·
研究电容器的贮电能量
2006-5-2
·
运用盖·吕萨克定律研究摄氏温标与绝对温标的关系
2006-5-2
·
船底出现一个小洞以后
2006-5-2
·
小试管为什么会往上升
2006-5-2
上一篇:
向哪个方向滚动
下一篇:
大小气球的对抗
网站推荐
热门文章
历史
本月
本周
今日
其它信息
关于本站
|
免责声明
|
业务合作
|
广告联系
|
留言建议
|
联系方式
|
网站导航
|
管理登录
通达教学资源网
版权所有
维护:
NYQ
闽ICP备05030710号