设为首页
加入收藏
仪器
示波器和电源;小型自耦变压器;300Ω/W电阻;2CZ11A整流二极管。
实验步骤

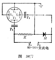
安装电源和示波器、并加以调整,使一个清晰的聚焦光点显现在荧光屏中央。按图38/7安装电路,其中R是3000Ω的电阻,M是2CZ11A硅整流二极管,T1和T2是50-100V交流电源(即小型自耦变压器输出)接线柱,X1、X2、Y1和Y2是偏转极板,T3和T4是示波器的输入接线柱。
把交流电源接在T1和T2上,屏幕上出现的曲线应和前边介绍的实验得到的一样。
|