设为首页
加入收藏
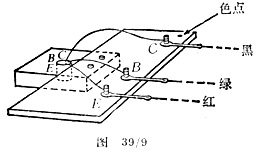
如果在螺栓上装上一块焊片,把电路引线事先焊在焊片上,把晶体管管脚夹在螺栓上两个螺帽之间,就能减少损坏的危险。三个这样的螺栓螺帽装置必须安装在一块胶木条上,并留有适当的间距,使得能方便地区别发射极,基极和集电极,这样就减少了造成错接极性的危险。胶木条应固定在如图39/9所示的黄铜块上。最后,在胶木条上用适当的字母标明焊片,并且在集电极上加上色点,电路的引线也要按所示涂上颜色(或者套上彩色套管)。必须特别强调,由于电极接错在使用时将导致晶体管烧毁。


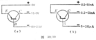
另外,用电阻测量仪表(万用表)检测晶体管时,红色表笔或插孔与表内电池的负极相接,因此任何需要正极电源的晶体管电极必须与电阻测量仪器(万用表)的黑表笔相接。晶体管的常规的极性线路如图39/6所示。图39/10(a)给出通常所用电压的理想值,图39/10(b)则是电流的理想值。这些值比热阴极电子管所需要的小得多。
|