设为首页
加入收藏
【目的和要求】
懂得用示波器观察元件特性曲线的基本方法,观察晶体二极管的特性曲线。
【仪器和器材】
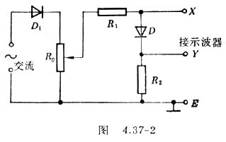
学生示波器(J2459型),学生电源(J1202型或J1202-1型),硅整流二极管2只(图4.37-2中的D1整流电流应大于500毫安),锗二极管,滑动变阻器(J2354-1型),电阻2个(R1为20-150欧,限流用,对功率小的二极管取大些;R2为2-10欧,作取样电阻),导线若干。
【实验方法】

1.将电路按图4.37-2接好,图中D1、R0跟交流电源构成半波整流电路,用来提供脉动电源。滑动变阻器R0接成分压电路,调节它的滑片可得到适当的脉动电压。R1为限流电阻,用以防止通过待测二极管中的电流过大造成损坏。接线柱X、Y分别跟示波器X输入、Y输入相连,E接公共接地端,扫描范围选在外X挡。
2.将滑动变阻器的滑片调至图中所示的下端,接通电源,调节好示波器,缓慢移动滑动变阻器的沿片使供应的脉动电压适当,再调节X、Y增益,在屏上即可得到大小合适的特性曲线,如图4.37-3所示。

3.将示波器作为定量测量使用,把二极管的特性曲线定量地测绘出来。然后,把测试的硅二极管D自电路中取下,换用锗二极管进行测试,比较这两种特性曲线,可知:加在硅二极管上的电压UM超过0.6-0.8伏时,锗二极管上的电压UM超过0.2-0.3伏时,电流随电压增长迅速。这是这两种二极管的重要区别。
|