设为首页
加入收藏
串联与并联自感线圈的现象比较
例1 在如图所示的电路(a)、(b)中,电阻R和自感线圈L的电阻值都很小.接通K,使电路达到稳定,灯泡S发光.( )
(A)在电路(a)中,断开K,S将渐渐变暗.
(B)在电路(a)中,一断开K,S将先变得更亮,然后渐渐变暗.
(C)在电路(b)中,断开K,S将渐渐变暗.
(D)在电路(b)中,断开K,S将先变得更亮,然后渐渐变暗.
错解:接通K,电路达到稳定,灯泡S发光,这时,断开K,电路中的电流从有到无,电流在减小,在自感线圈中产生自感电动势.自感线圈相当于瞬时电源,线圈L、灯泡S、电阻R构成闭合回路,在此回路中有自感电流.由于自感电动势阻碍原电流的变化,但“阻碍”不是“阻止”,“阻碍”只是“延缓”,原电流还是要变化的,本题中(a)(b)两电路电流最终都会变为零,选项A、C正确.
警示:上述错解没有考虑到(a)(b)两电路的区别.(a)电路中灯泡S和自感线圈L串联在一起,通过两者的电流大小一样,而(b)电路中稳定时通过L的电流要远远大于通过灯泡S的电流.当断开K时,L中产生自感电动势,L、S、R构成新的回路,在这个回路中,对(a)(b)两电路而言,自感电动势不同,灯泡S的始态电流不同,变化的情况也不同.
正解:在电路(a)中,设通过线圈L的电流为
,通过S及R的电流为
和
.同理,设电路(b)中通过L、S、R的电流分别为
.很明显:
.
当断开K时,线圈L相当于电源,产生了自感电动势,在L、R、S回路中产生自感电流.在电路(a)中,自感电流从
逐渐减小,灯泡S逐渐变暗;在电路(b)中,自感电流从
逐渐减小,因为
,所以灯泡S先变得更亮,在后渐渐变暗.选项A、D正确.
并联自感线圈的灯泡明暗现象
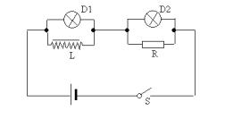
例2 在如图所示的电路中,
和
是两个相同的小灯泡,L是一个自感系数相当大的线圈,其直流电阻值与R相等.在电键S接通和断开时,灯泡
和
亮暗的顺序是(
)
(A)接通时,
先达到最亮,断开时,
后暗
(B)接通时,
先达到最亮,断开时,
后暗
(C)接通时,
先达到最亮,断开时,
先暗
(D)接通时,
先达到最亮,断开时,
先暗
分析与解答:当电流发生变化时,线圈电路中将产生自感电动势,自感电动势起阻碍电流变化的作用.在S接通时,线圈中将产生自感电动势,从而使通过线圈L的电流只能从零逐渐地增大.等效地看,在S接通时,相当于L表现为很大的电阻,故
先达到最亮.当S切断的瞬间,通过
和R的电流立即消失,而在线圈L中将产生阻碍电流减小的自感电动势,线圈L与
组成闭合电路,通过
的电流强度与通过L的电流强度相等,所以
后暗,选项A正确.
并联自感线圈的灯泡明暗现象
例2(补充)
如图所示,
是两个相同的小电珠,
是一个自感系数很大的线圈,其电阻与
相同,由于存在自感现象,在电键接通和断开时,两灯泡先后亮暗的次序是(
)
A、接通时
先达最亮,断开时
后暗
B、接通时
先达最亮,断开时
后暗
C、接通时
先达最亮,断开时
先暗
D、接通时
先达最亮,断开时
先暗
分析:
当电键
接通时,
和
应该同时亮,但是由于自感现象的存在,通过线圈的电流从零开始变大,线圈上产生的自感电动势的方向是左边正极,右边负极,使通过线圈的电流从零开始慢慢增加,所以开始瞬间电流几乎全部从
通过,而该电流又将同时分路通过
和
,所以
先最亮,经过一段时间电流稳定以后,
和
达到一样亮.
当电键
断开时,电源的电流立即为零,因此
立即熄灭,而对
,由于通过线圈的电流突然减弱,线圈中产生的电动势右边正极,左边负极,使线圈
和
组成的闭合电路中有感应电流,所以
后灭.
本题的答案为A.
关于自感电流的变化
例3 如图所示,多匝线圈L的电阻和电源内阻都很小,可忽略不计,电路中两个电阻器的电阻均为R,开始时电键S断开.此时电路中电流强度为
,现将电键S闭合、线圈L中有自感电动势产生,下列说法中正确的是(
)
(A)由于自感电动势有阻碍电流的作用,电路中电流最终由
减小到零.
(B)由于自感电动势有阻碍电流的作用,电路中电流最终总小于
.
(C)由于自感电动势有阻碍电流的作用,电路中电流将保持
不变.
(D)自感电动势有阻碍电流增大的作用,但电路中电流最终还要增大到2
.
分析与解答:当电键闭合时,通过线圈的电流发生变化,在线圈中产生自感电动势,自感电动势阻碍电流的变化,但“阻碍”不是“阻止”.“阻碍”实质上是“延缓”,虽然自感电动势能“延缓”电流的变化,但电流还是要变化的.
在电键S闭合后,由于自感电动势阻碍电流的增大,电流中的电流不会立刻变为2
,但最终仍会增大到2
.选项D正确.
串联自感线圈的灯泡明暗现象
例4
右图中a、b灯分别标有“36V 40W”和“36V 25W”,闭合电键调节
,能使a、b都正常发光.断开电键后重做实验:电键闭合后看到的现象是什么?稳定后那只灯较亮?再断开电键,又将看到什么现象?
分析:闭合瞬间,由于电感线圈对电流增大的阻碍作用,a将慢慢亮起来,b立即变亮.这时
的作用相当于一个大电阻;稳定后两灯都正常发光,a的功率大,较亮.这时
的作用相当于一只普通的电阻(就是该线圈的内阻);断开瞬间,由于电感线圈对电流减小的阻碍作用,通过a的电流将逐渐减小,a渐渐变暗到熄灭,而ab
组成同一个闭合回路,所以b灯也将逐渐变暗到熄灭,而且开始还会闪亮一下(因为原来有
),并且通过b的电流方向与原来的电流方向相反.这时
相当于一个电源.