设为首页
加入收藏
仪器
J2458型或J2459型示波器和电源装置;80V交流电压,可由小型调压变压器提供;两只1200Ω,20W的分压器;透明量角器;惠斯登电桥及其附件。
实验步骤

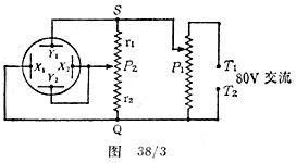
按图38/3安装电路,其中P1和P2是分压器,X1、X2、Y1和Y2是偏转极板,T1和T SPAN>2是80V交流电源的接线柱。
(图中简略了电源装置和示波器)
调整分压器P1直到荧光屏上的迹线有个合适的幅度。拿一量角器放在荧光屏前,使它贴近屏、并使荧光屏上的迹线与量角器的水平零度直线重合,迹线的中心和量角器的水平零线中点重合,改变P2上滑动触头的位置,并检查在滑动触头的整个移动过程中荧光屏上的迹线与量角器的角度线是否重合。会注意到,当荧光屏上的迹线从水平向上翘起的过程中,长度会逐渐缩短到最小值,然后再增加到最大值。
调整P2使迹线与水平线成10°角,断开80V电源并用电桥测定滑动触头P2和S之间的电阻,记为r1。拆去电桥后接通80V电源,调节P2使迹线与水平线的倾角为20°,按同样的步骤,每次测量S和滑动触头间的电阻r1。重复实验直到倾斜角达到90°,这时测得的将是P2的全部电阻。
数据记录与处理
将结果填入下表:
|
迹线的倾斜角θ |
tgθ |
电阻r1 |
电阻r2 |
电压之比L=r1/r2 |
|
|
|
|
|
|
r2为分压器的总电阻阻值减去r1,分压器的总电阻阻值是当倾角等于90°时测定的r1值。
描绘出电压之比对tgθ的图象,并叙述结论。
|