设为首页
加入收藏
滑动变阻器在电路中可以作限流器用,也可以作分压器用,应当如何选用这两种不同的形式呢?这首先是由电路中的需要来决定的,例如,有时需要负载电压有较大幅度的变化,有时需要能够做到细微的调节。哪一种电路能满足这些要求,这就需要我们研究两种电路的输出特性。
实验前取滑动变阻器(20Ω/0.5A)、直流电流表、直流电压表、直流电源(6伏)、电阻箱(0-9999Ω)、开关、直尺各1个备用。
实验的方法与要求如下:

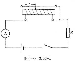
1.按图(一)3.53-1连接好串联电路,分别取负载电阻R为2欧,200欧,2000欧,实验时将滑线变阻器的阻值从最大逐次调小,记录各次中滑动变阻器滑臂触头离开起点的距离L及通过负载的电流强度I,作出I-L图象。

2.按图(一)3.53-2所示的分压电路接线。分别取负载电阻R为2欧,200欧,2000欧进行实验,使分压器输出电压从零开始,逐步移动滑臂,记录滑臂移动距离L和输出电压U,作出U-L图象。
根据你作出的图象,描述负载电阻对输出特性的影响。并应用串、并联电路的原理分析实验的结果。
实验后思考下列问题:
1.比较使用分压器和限流器时输出电压的调节范围。
2.当负载电阻R比较大时,采用什么样的电路,输出电压随滑臂移动距离的线性较好,且变化率较大?
3.在负载电阻较小时,为了在输出低电压段获得较精细的调节,可使用何种电路?
4.当负载电阻R较大时,为了获得较大范围的输出电压,而又能做到比较精细调节,可采用何种电路?
选自:《高中物理课外实验》
|