http://www.nyq.cn
 当前位置: -> 物理实验 -> 课堂实验 -> 高中物理学生实验 -> 电磁学部分 -> 正文

测量检流计的满偏电压,计算内阻

作者:未知来源:《高中物理学生实验》时间:2006-5-2 11:28:42阅读:
字号:|

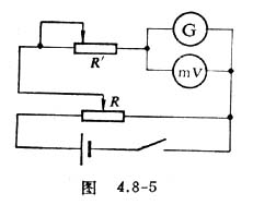
  按图485接好电路。mV为以毫伏为单位的电压表,简称毫伏表,G为待测电表,R′为保护电阻。闭合开关后,先调节滑动变阻器R,增大电路中的电压,再慢慢减小R′的电阻使G表的指针达到满刻度。这时毫伏表上的读数即为G表的满偏电压Ug。由于< /SPAN>G表的满偏电流为已知,由欧姆定律即可求出检流计的内阻:

DUgIg

上一篇: 测试晶体二极管   下一篇: 测量电池的内电阻

关于本站 | 免责声明 | 业务合作 | 广告联系 | 留言建议 | 联系方式 | 网站导航 | 管理登录
闽ICP备05030710号