设为首页
加入收藏
【注意事项】
1.改装表的量程不可过大,否则并联电阻R值过小,在中学实验条件下,不易找出相应阻值的电阻。若所用电阻箱旋钮开关处接触电阻过大,因R值不准确带来过大的误差,则可取一段长约1米左右的电阻丝,先量出其总长和总电阻,再按比例截取电阻值比所需R值的长度稍长一点(供两端连接时接触用),与G表并联,构成改装表。

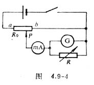
2.若所用变阻器阻值偏小,用图4.9-3所示电路,调R0不能使电路电流小于、等于改装表 的量程,则可采用图4.9-4所示电路求改装表的百分误差。此时应注意在开关闭合前将滑片P调到b端。

3.所改装的表量程应比标准表量程小一些,使得在求改装表的百分误差时,不致于改装表尚未满偏而标准表指针已到达最大刻度。

4.利用本实验的器材,也可以用替代法测检流计的内阻。如图4.9-5连成电路,R1、R0阻值在开关闭合前都调至最大。开关闭合后调节R0和R1,使毫安表和G表指针都接近满偏转。记下毫安表读数。用另一电阻箱R2代替G表接入电路,并调节R2使从零逐渐增大(R1、R2的值应保持不变),直至毫安表示数与G表接入时相等。则此时R2的值就等于G表内阻。
【思考题】
1.用图4.9-2近似得G表内阻rg时,R1、R2接入电路的阻值的大小应满足什么条件?

2.如果利用本实验中所给毫安表作为标准表,再给你一根足够长的裸铜丝,你能用实验的方法(不需计算)把一个G表改装成一个大量程(例如比标准表量程大5倍)的电流表吗,试简述实验设计思想,并实验验证之。
|