设为首页
加入收藏
【目的和要求】
学习用简易方法研究半波、全波、桥式整流电路的原理,以及滤波电路的作用。
【仪器和器材】
可拆变压器的高压线同(0-110-220),低压线圈(0-36,作扼流圈L),晶体二极管4个(2AP型或2CP型均可),检流计(J0409型或J0409-1型),条形磁铁,定 值电阻(1-5欧),学生电源(J1202型或J1202-1型),电解电容器(10伏,100微法),单刀开关4个(J2352型),喇叭(动圈式),直流电压表(J0408型或J0408-1型)。
【实验方法】
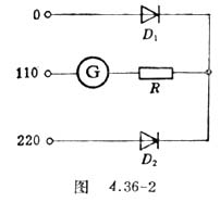
实验时,先把线圈的0-110端与定值电阻检流计组成闭合电路,当把条形磁铁插进、抽出线圈时,可见检流计指针左右摆动。下面我们用线圈中产生的感应电流代替交流信号来做实验。

按图4.36-2所示连接电路。将磁铁在线圈中插入、抽出几次,你观察到了什么现象?把D1和D2的正、负极对调,再把磁铁(磁极不变)插进、抽出线圈几次看指针的摆动是否有变化。由此使学生认识全波整流原理。
|